商铺名称:深圳市英达制冷机电有限公司
联系人:晏晓海(先生)
联系手机:
固定电话:
企业邮箱:xiaohai1012@163.com
联系地址:深圳市福田区八卦岭523栋8楼817室
邮编:518000
联系我时,请说是在机床母机网上看到的,谢谢!
| 产品参数 | |||
|---|---|---|---|
| 品牌 | 鹭宫 | ||
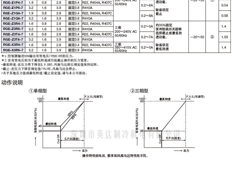
| 调整范围 | 0.8~2.8MPA | ||
| E.P.B. | 固定0.4MPA | ||
| 冷媒 | R22\/R404A\/R407C | ||
| 电压 | 单相200~240V.AC | ||
| 额定电流 | 0.2~4A | ||
| 环境温度 | -20~55摄氏度 | ||
| 最高使用压力 | 4.7MPA | ||
| 控制方法 | 相控制 | ||
| 保护等级 | IP54 | ||
| 可售卖地 | 北京;天津;河北;山西;内蒙古;辽宁;吉林;黑龙江;上海;江苏;浙江;安徽;福建;江西;山东;河南;湖北;湖南;广东;广西;海南;重庆;四川;贵州;云南;西藏;陕西;甘肃;青海;宁夏;新疆 | ||
| 型号 | RGE-Z1N4-7 | ||






