商铺名称:东莞市金中液压有限公司
联系人:李小姐(小姐)
联系手机:
固定电话:
企业邮箱:kingke188@163.com
联系地址:广东省东莞市南城区白马宏成国际五金机电批发城A03栋119号
邮编:523070
联系我时,请说是在机床母机网上看到的,谢谢!
金中液压有限公司是专业设计、生产液压油泵、液压系统、液压站、液压阀等液压产品,并在广东,上海,江苏都有设点,客户要货可以就近配送,如需货运的我将安排专门人员负责专线发送,确保客户以最方便经济快捷的方式第一时间收到货物。常规产品在客户按正常操作使用的使用情况下公司保修一年。在质量保证期内,客户如有任何安装,使用,维修方面的问题公司会安排人员第一时间给予解决,免除顾客之忧!
公司电话:0769-89109002
手 机:15812829873
Q Q:2853501304
联 系 人:李先生





吸油压力:吸油口压力必须低于—0.3bar.
工作油温:连续运转温度约为15-60°C。
转动方向:标准泵运转方向乃以从轴心方向时正视为顺时针方向。
泄 油 管:泄油管请务必连接到油箱液面下,背压请保持在0.3bar以下。
轴心配差:液压泵与液压马达轴心偏心误差须在0.05mm以下,角度误差1°。
液 压 油:70bar以下,40°C时,黏度为30-50cSt(ISO VG 32)
的液压油。70bar以下,40°C时,黏度为50-70cSt
(ISO VG 32)的液压油。
流量调整:调整流量时须先放松螺帽,再旋转调整螺丝,顺时针为增量,逆时针为减量。
初次使用:请在无负载状态下先行反复启动马达,以排除管路及泵中的空气,为确保液压泵系统中所含气已排除,请让泵在无负载状况下运转10分钟。

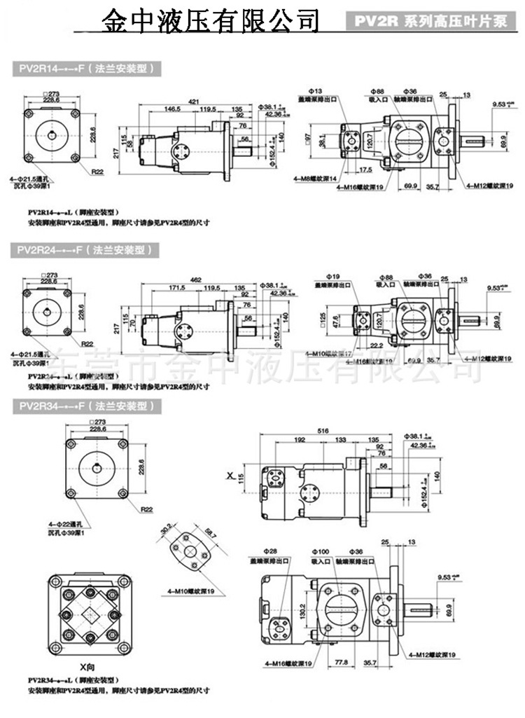
本系列双联高压轮叶帮浦,针对油压迴路双油压源而设计,由单一吸口吸油,节省配管繁杂。其低骚音、高效率,适用於各类油压机械专用机。
1:本型泵专为低噪音工作而开发的高压高性能泵。
2:在诸如注塑成形械等工业领域中广泛的用途。
3:泵本身的主要内藏零件做成组件形式,维修便利。
一、十五年制造经验优势
15年的行业经验,金中成立至今,在各种机械行业积累了3000多个客户,有着丰富的行业经验;根据这些经验的积累,可以更灵活的依据据客户的需求,提供更适合的设计方案和配件选型。
二、技术领先优势
拥有多项国家专利技术。金中液压创始人从上世纪末就从事液压行业,学习最新的技术,为了不同的领域不同需求的用户提供最专业的、最合理的液压动力系统解决方案。
三、配套服务优势
多年的经营,行业的产业链,有很好的渠道,可提供产业的配套服务,为顾客节约大量的采购成本。公司提供OEM支持,如果客户根据当地市场做特色的推广时,我们将为您量身打造。
四、库存充足,质量保证优势
选进口的配件,材质过硬 ,专人监督生产,监督测试,100多道工序,质量更有保障。性价比高,更耐用!
五、交货准时,诚信度高
依托珠三角,辐射全球,进出口方便,物流便利,稳定的配套供应商,全球一体化采购。
六、售前售后服务优势
工厂到工厂的对接,实现生产厂家到使用厂家的直接转换;拥有经验丰富的服务保障团队。


东莞市金中液压有限公司 (东莞公司):
联系人:何先生
手 机: 15812829873
全国免费热线:400-080-3988
电 话:86 0769 89109002
传 真:86 0769 27229721
邮 箱:2853501304@qq.com
地 址:中国 广东 东莞市 广东省东莞市厚街赤岭莞太路65号(厚达科技园)
网址:http://www.yeyaxt.com.com http://www.pumps88.com
东莞金中液压主营产品:
变量叶片泵、定量叶片泵、中压叶片泵、双联叶片泵、子母叶片泵、高低压组合泵、外齿轮泵、内齿轮泵、变量柱塞泵等。
压力阀:溢流阀、减压阀、顺序阀、背压阀、卸荷阀方向阀:电磁换向阀、电液换向阀、手动换向阀、单向阀、液控单向
阀、充液阀
流量阀:节流阀、电磁流量阀、调速阀、电磁调速阀叠加阀:溢流阀、减压阀、电控减压阀、抗衡阀、先导式抗衡阀、电
磁流量阀、单向节流阀、节流阀单向阀、缓冲阀
液压电机:群策电机、群策电机泵组
动力单元:液压系统、液压马达、液压油缸比例阀: 电液比例先导溢流阀、电液比例溢流阀、电液比例溢流调速 阀
液压附件:耐震压力表、电接点压力表、压力继电器、冷却器、空气
滤清器、滤油器、回油滤油器、液位计、压力表开关联轴器.
公司承接各种液压系统、液压站、液压装置的设计与安装。