商铺名称:东莞莞信机械设备有限公司
联系人:尤先生(先生)
联系手机:
固定电话:
企业邮箱:
联系地址:广东省东莞市寮步镇寮步金富路33号1号楼305室
邮编:
联系我时,请说是在机床母机网上看到的,谢谢!
| 产品参数 | |||
|---|---|---|---|
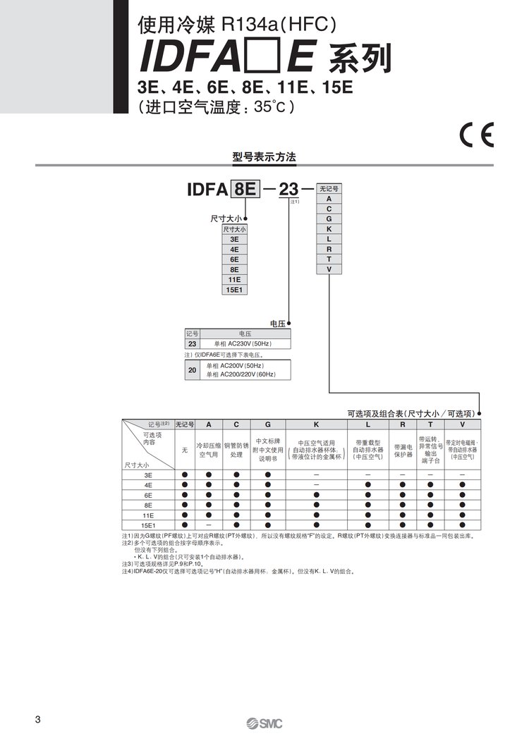
| 日本SMC冷冻式干燥机IDFA22E/37E/55E/75E 全新原装供应 品牌 | SMC | ||
| 是否支持加工定制 | 否 | ||
| 使用流体 | 压缩空气 | ||
| 进口空气温度 | 5~50 ℃ | ||
| 进口空气压力 | 0.15~1.0 MPa | ||
| 环境温度(湿度) | 2~40 ℃(相对湿度 85以下) | ||
| 空气处理量 | 254 ~ 822 M3/H | ||
| 压力露点 | 10 ℃ | ||
| 电源 | 单相AC 230V/50Hz | ||
| 涂装色 | 本体面板:乳白色 底座:灰色 | ||
| 可售卖地 | 北京;天津;河北;山西;内蒙古;辽宁;吉林;黑龙江;上海;江苏;浙江;安徽;福建;江西;山东;河南;湖北;湖南;广东;广西;海南;重庆;四川;贵州;云南;西藏;陕西;甘肃;青海;宁夏;新疆 | ||
| 型号 | IDFA22E/37E/55E/75E | ||














