商铺名称:深圳市鸿昌伟业电子科技有限公司
联系人:黄春雷(小姐)
联系手机:
固定电话:
企业邮箱:1405387227@qq.com
联系地址:深圳市宝安区沙井镇南环路华丰高新产业园D座3楼
邮编:518104
联系我时,请说是在机床母机网上看到的,谢谢!
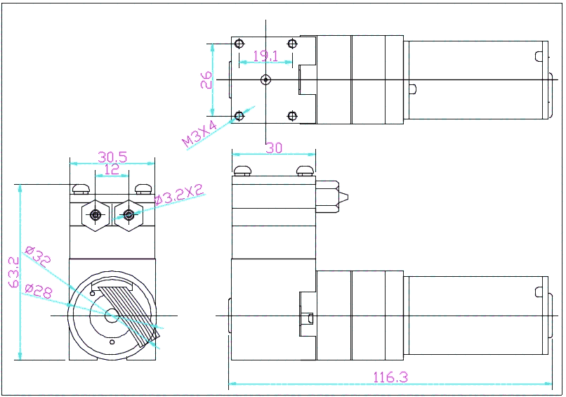
技术参数 Technical Data
|
型号Model |
HC 1.30DCB-P |
|
电压voltage(DCV) |
24V |
|
使用流体 Applied fluid |
气液通用 |
|
液体空载量 Liquid flow (ml/min) |
250 |
|
液压力 liquid pressure (MPa) |
0.8 |
|
真空度Max vacuum( kpa) |
38 |
|
扬程Maximum head(m) |
>15 |
|
吸程absorption process(m) |
≤5 |
|
噪音noise(dB) |
55 |
|
重量Weight(kg) |
0.49 |
|
寿命life (h) |
10000 |
|
尺寸size(mm) |
116.3*30.5*63.2 |

