耐酸碱立式离心泵选型要点,创升教给您
耐酸碱立式离心泵选型要点,创升教给您
产品价格:¥199/台(人民币)
  • 规格:CSH
  • 发货地:东莞
  • 品牌:
  • 最小起订量:1台
  • 免费会员
    会员级别:试用会员
    认证类型:企业认证
    企业证件:通过认证

    商铺名称:东莞市创升机械设备有限公司

    联系人:成小姐(小姐)

    联系手机:

    固定电话:

    企业邮箱:2851011376@qq.com

    联系地址:东莞市大岭山镇大塘工业区

    邮编:523082

    联系我时,请说是在机床母机网上看到的,谢谢!

    商品详情
      合理选泵,需要综合考虑泵机组、泵站投资和运行费用等综合技术经济指标,使之符合经济、安全、适用的原则。耐酸碱立式离心泵的选型要点具体包括以下几个方面:
      1)应选择效率高、低噪声、节能型水泵,严禁选择淘汰产品。
      2)应根据设计流量、所需扬程选泵,且考虑水泵因磨损等原因造成水泵出力下降,可按计算所得扬程H乘以1.05~1.10系数后选泵;应选择特性曲线为随流量增大其扬程逐渐下降的水泵,这样的泵工作稳定,并联工作时可靠;且水泵的运行工作点应保持稳定运行,这样既节能又不易损坏机件。
      3)当给水管网无调节设施时,宜采用调速泵组或额定转速泵组编组运行供水。
      4)选择水箱、水塔的提升泵应尽量减少泵的台数,宜一用一备;当单泵可以满足要求时,则不宜采用多台并联方式;若必须采用多台并联运行或大小泵搭配方式时,其型号、台数不宜过多,型号一般不宜超过两种,水泵的扬程范围应相近;并联运行时每台泵宜仍在稳定运行。

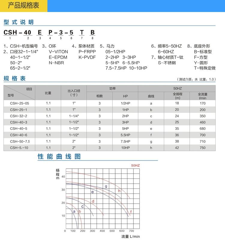
      产品规格:(50/60Hz)
      电机功率:0.37-7.5 KW
      全流量:170-750 L/min
      全扬程:15-42 m
      主要材质:FRPP
      适合温度:0~75℃(FRPP),0~90℃(PVDF)

      5)变频调速泵(组)设计供水流量应保证满足生活给水系统中的极大设计秒流量的要求。电源须可靠(双电源或双回路供电);水泵的工作点应选在水泵特性曲线(Q-H曲线)的工作区内,并不得选在Q-H曲线的延长线上,设计的不利工作点应在水泵特性曲线的右端点,即水泵出水量大、而扬程较低但能满足要求的那个点,也就是水泵特性曲线的低点与管道特性曲线的交叉点。水泵调速工作范围能尽量在水泵稳定运转段内;调速范围宜设在水泵供水量的百分之二十五至一百之间之间;设备应具有水位自动控制功能。

      6)生活加压给水系统的水泵机组应设置备用泵,备用泵的供水能力应大于大一台运行水泵的供水能力,水泵宜自动切换,交替运行。
      7)水泵所配电机的电压应相同,且电源应与标准供电相同。
      东莞市创升机械设备有限公司19年专注于耐酸碱立式离心泵、磁力泵、化工过滤器的研发与制造。是一家集开发、生产、销售、服务于一体的综合性泵浦生产企业。
    0571-87774297