商铺名称:东莞市卡福自动化科技有限公司
联系人:吴辉旺(先生)
联系手机:
固定电话:
企业邮箱:943604153@qq.com
联系地址:广东省东莞市东城街道莞龙路1号松源创新科技城C栋1楼
邮编:523000
联系我时,请说是在机床母机网上看到的,谢谢!
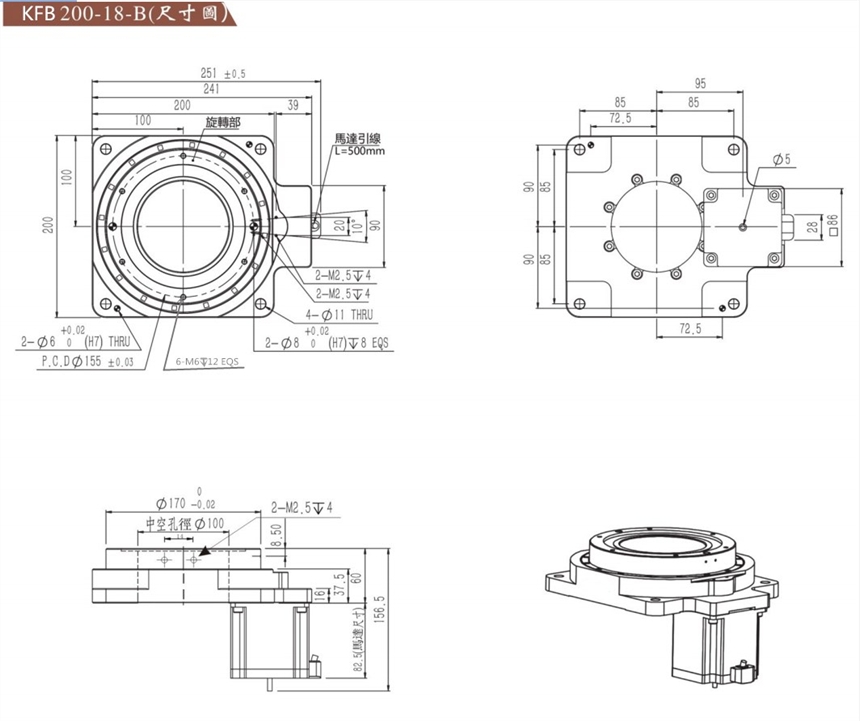
中空旋转平台减速机应用:[2]
可运用与产线自动化改造中旋转工作台
激光打标或者雕刻机中的旋转夹头
精密对位机构中的旋转轴
轻载机械手关节
中空旋转平台是目前市场上的一片空白,直接取代凸轮分割器和DD马达,中空旋转平台是一个高定位精度的数位化旋转平台,具有低成本高精度的优势,在旋转平台类占据着强大的市场,
中空轴旋转平台是行星伺服减速机的中一个系列。
使用高刚性的交叉斜角滚子轴承与旋转平台面呈现一体化的设计,可承受大惯性的圆盘装置,整组搭配步进马达及驱动器。








