商铺名称:东莞市卡福自动化科技有限公司
联系人:吴辉旺(先生)
联系手机:
固定电话:
企业邮箱:943604153@qq.com
联系地址:广东省东莞市东城街道莞龙路1号松源创新科技城C栋1楼
邮编:523000
联系我时,请说是在机床母机网上看到的,谢谢!
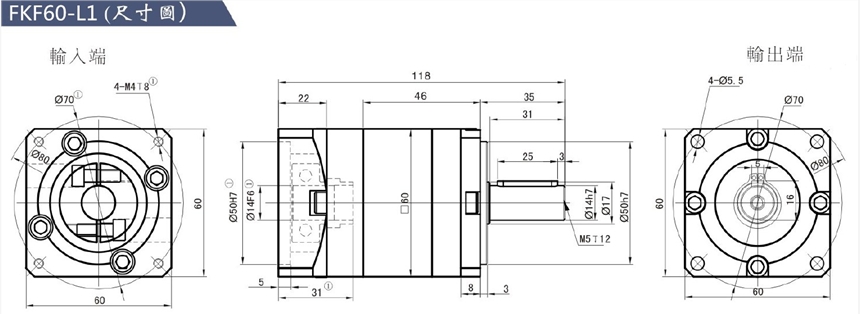
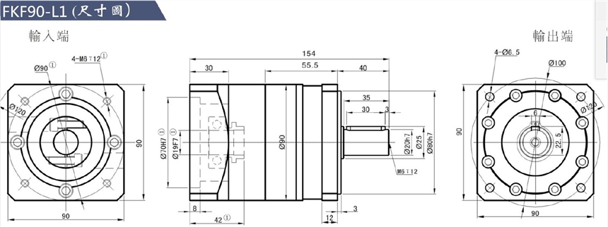
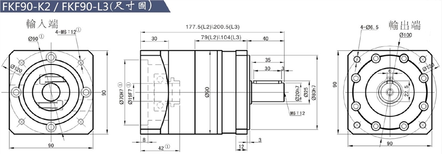
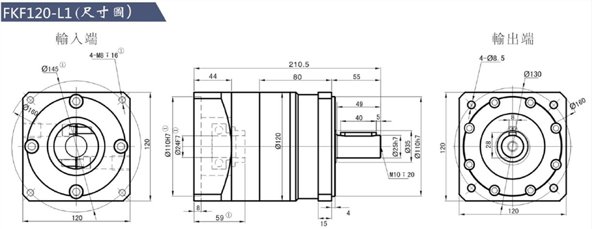
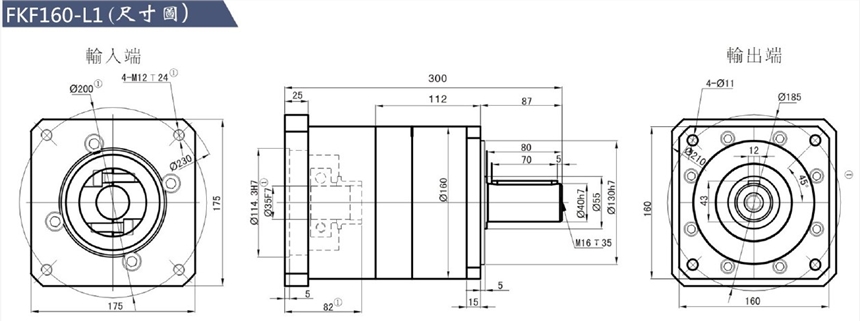
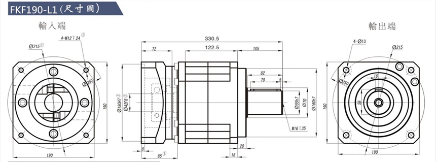
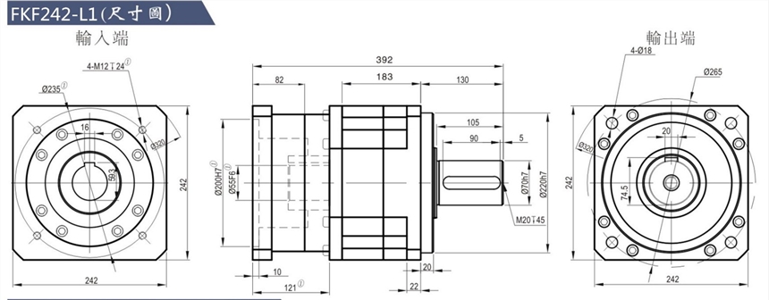
一、减速机
1.MA行星减速机
2.高扭力行星减速机
3.绣花机专用减速机
4.切带机专用减速机
5.精密型行星式螺旋齿减速机
6.高精度伺服减速机
7.低背隙,低噪音,长寿命
8.伺服精密行星减速机: 具有高精度、高钢性、高负载、高效率、高速比、高寿命、低惯性、低振动、低噪音、低温升、外观美、结构轻小、安装方便、精确定位等特点,...
减速器 可搭配各款伺服电机法兰的行星减速机
适合于全球任何厂商所制造的驱动产品连接,如:松下、三菱、安川、三洋、欧姆龙、富士、台达、东元、西门子、施耐德、汉德保、多摩川、法拉克、富田、广数、华大、宇海、信捷、东菱、英迈克、博美德、欧诺克、英威腾、超同布、白山、雷赛、研控、山社、信浓、拓达等





















