商铺名称:台湾恒望精密机械
联系人:周经理(先生)
联系手机:
固定电话:
企业邮箱:ichiseikizy@163.com
联系地址:江苏省昆山市周商路1号
邮编:215300
联系我时,请说是在机床母机网上看到的,谢谢!
|
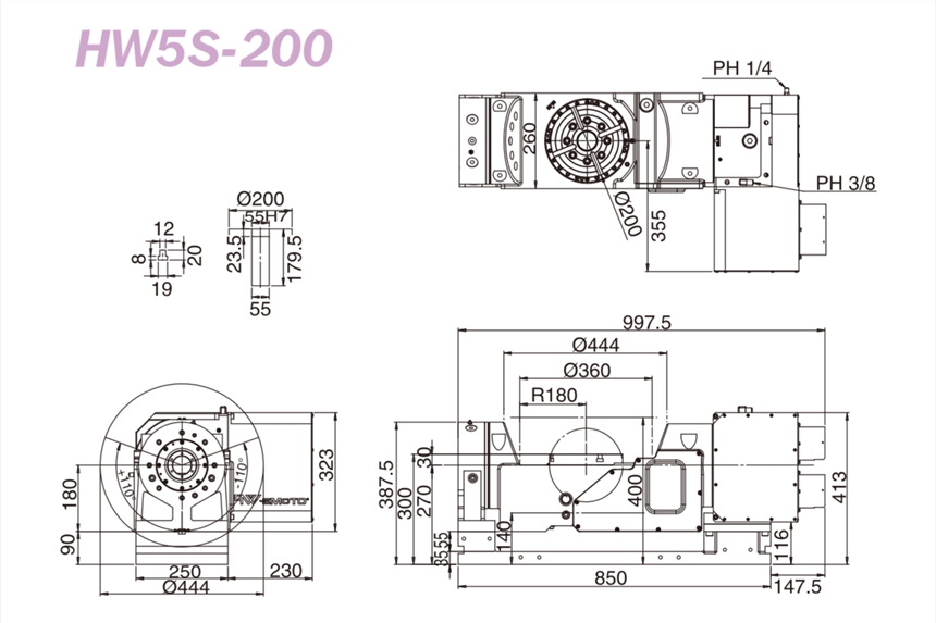
型 号 |
单位 |
HW5S-200 |
|
|
工作台尺寸 |
mm |
?200 |
|
|
盘面孔尺寸 |
mm |
?55 |
|
|
倾斜角度轴 |
deg. |
±110° |
|
|
旋转角度 |
mm |
360° |
|
|
0°时盘面高度 |
mm |
300 |
|
|
90°时盘面高度 |
mm |
270 |
|
|
盘面T型槽 |
mm |
12H8 |
|
|
伺服马达 |
旋转轴 |
FANUC |
B8is |
|
倾斜轴 |
FANUC |
B8is |
|
|
伺服马达转速(倾斜轴/旋转轴) |
rpm |
2000 |
|
|
减速比 |
旋转轴 |
|
1:120 |
|
倾斜轴 |
|
1:144 |
|
|
工作台转速(电机2000rpm) |
rpm |
16 |
|
|
最小分度单位 |
deg. |
0.001 |
|
|
重复精度 |
旋转轴 |
arc-sec |
4” |
|
倾斜轴 |
arc-sec |
8” |
|
|
累计精度 |
旋转轴 |
arc-sec |
20” |
|
倾斜轴 |
arc-sec |
50” |
|
|
旋转轴锁紧扭力 |
旋转轴 |
N.m |
310 |
|
倾斜轴 |
N.m |
310 |
|
|
刹车压力 |
Kg/cm2 |
油压30-35 |
|
|
容许切削力 |
旋转轴 |
Kgf-m |
18 |
|
倾斜轴 |
Kgf-m |
18 |
|
|
容许工件截重(水平放置) |
kg |
75 |
|
|
0°~ 90°倾斜载重 |
/ |
50 |
|
|
净重 |
kg |
380 |
|




