EMP2-X402 pcie转接卡 pcie转485 422 innodisk扩展卡
EMP2-X402 pcie转接卡 pcie转485 422 innodisk扩展卡
产品价格:(人民币)
  • 规格:EMP2-X402
  • 发货地:北京
  • 品牌:
  • 最小起订量:1个
  • 免费会员
    会员级别:试用会员
    认证类型:企业认证
    企业证件:通过认证

    商铺名称:北京齐昂电子科技有限公司

    联系人:苗经理(先生)

    联系手机:

    固定电话:

    企业邮箱:546288802@qq.com

    联系地址:北京昌平区西三旗建材城东路新龙大厦B座1022室

    邮编:100089

    联系我时,请说是在机床母机网上看到的,谢谢!

    商品详情

      通讯类

      宜鼎弹性扩充的通讯卡模块系列,可针对工业系统提供稳定连接及带宽,并满足物联网下装置互连的需求。

      产品特色
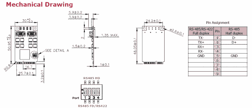
      • PCIe 2.0 compliant. RS-422/485 mode configurable by?switch. Supports 485HD (Half Duplex) and 485FD (Full?Duplex)
      • 4800 to 3Mbps serial data rate. 16C550 compatible. 256-byte FIFOs
      • Industrial temperature(-40 oC to 85 oC) operation
      • Flexible design with DB-9 connectors and cable
      • Termination Resistor by jumper setting
      • ESD up to 15KV(Electrostatic Discharge) protection circuit?to prevent system damage.
      • 30μ" golden finger, 3-year warranty
      • Industrial design, manufactured in innodisk Taiwan

      规格:

      Module Name EMP2-X402
      Module Type mPCIe to 4 x 422/485 Module
      Function Serial
      bbbb Factor mPCIe
      bbbbb I/F PCI Express 2.0 x 1
      Output I/F RS-422/485
      Output connector DB-9 x 4
      Power Consumption 0.33W (3.3V x 100mA)
      Dimensions (W x L x H/mm) 30 x 50.9 x 8.25
      Temperature Operation: STD temp: 0°~70°C
      Storage: -55°C ~ +95°C
      Environment Vibration: 5G @7~2000Hz
      Shock: 50G @ 0.5ms
      Notes Please download driver from MyInnodisk website.
      WINOOWs: XP(32 bit), 7(32/64 bit), 8/8.1(32/64 bit), 10,
      WES7, CE7.0
      Linux: Kernel 2.6.x and above. (We can provide Linux source
      for modification.)

      产品料号:

      P/N DeSCRJPTion
      EMP2-X402-W1 (Wide Temp.) mPCIe to 4 x 422/485 Module






    0571-87774297