串口转485 EMP2-X4S2 innodisk北京代理商 通讯卡模块
串口转485 EMP2-X4S2 innodisk北京代理商 通讯卡模块
产品价格:(人民币)
  • 规格:EMP2-X4S2
  • 发货地:北京
  • 品牌:
  • 最小起订量:1个
  • 免费会员
    会员级别:试用会员
    认证类型:企业认证
    企业证件:通过认证

    商铺名称:北京齐昂电子科技有限公司

    联系人:苗经理(先生)

    联系手机:

    固定电话:

    企业邮箱:546288802@qq.com

    联系地址:北京昌平区西三旗建材城东路新龙大厦B座1022室

    邮编:100089

    联系我时,请说是在机床母机网上看到的,谢谢!

    商品详情

      通讯类

      宜鼎弹性扩充的通讯卡模块系列,可针对工业系统提供稳定连接及带宽,并满足物联网下装置互连的需求。

      EMP2-X4S2

      产品特色
      • PCI-Express specification Rev. 2.0 compliant
      • 4800 to 3Mbps serial data rate. 16C550 compatible. 256-byte FIFOs
      • Supports port-to-computer isolation, complies with IEC?60950-1:2005 + A1: 2009 + A2:2013 2.5kV HiPOT?protection
      • Complies with EN61000-4-2 (ESD) Air-15kV, Contact-8kV
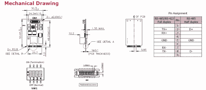
      • Termination Resistor by dip switch setting
      • Industrial temperature (-40 oC to 85 oC) operation
      • 30μ” golden finger, 3 years warranty

        规格:

        Module Name EMP2-X4S2
        Module Type mPCIe to two Isolated RS-422 & RS-485 Module
        Function Serial
        bbbb Factor mPCIe
        bbbbb I/F PCI Express 2.0
        Output I/F Isolated RS-422 x 2, RS-485 x 2
        Output connector DB-9 x 4
        Power Consumption 0.58W (3.3V x 175mA)
        Dimensions (W x L x H/mm) 30 x 50.9 x 12.55
        Temperature Operation: W/T temp: -40°C ~ +85°C
        Storage: -55°C ~ +95°C
        Environment Vibration: 5G @7~2000Hz
        Shock: 50G @ 0.5ms
        Notes Please download driver from MyInnodisk website.
        WINOOWs: XP(32 bit), 7(32/64 bit), 8/8.1(32/64 bit), 10, WES7, CE7.0
        Linux: Kernel 2.6.x and above.(We can provide Linux source for modification.)

        产品料号:

        P/N DeSCRJPTion
        EMP2-X4S2-W1(Wide Temp.) mPCIe to two Isolated RS-422 & RS-485 Module






    0571-87774297