商铺名称:苏州友皓工业自动化有限公司
联系人:杨铮()
联系手机:
固定电话:
企业邮箱:
联系地址:苏州市吴中区木渎镇中山东路111号1幢3A17室
邮编:
联系我时,请说是在机床母机网上看到的,谢谢!
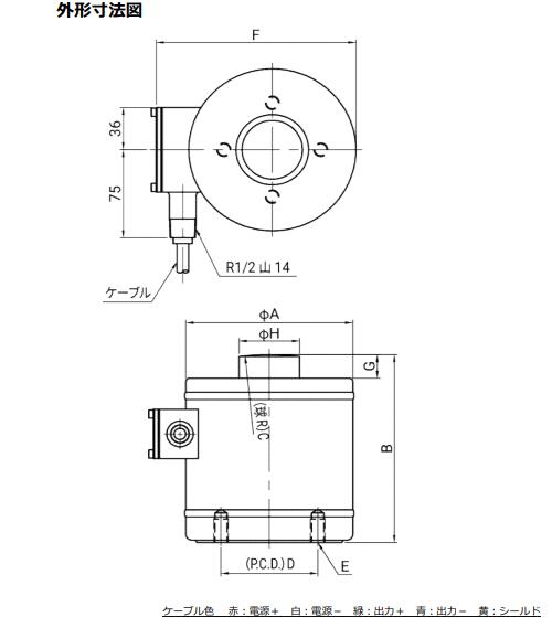
| 产品参数 | |||
|---|---|---|---|
| 销售A&D AND称重传感器C2X1-30/C2X1-50/C2X1-100 友皓工业 型号 | C2X1-30/C2X1-50/C2X1-100 | ||
| 定格容量 | 300kN/500kN/1MN | ||
| 定格输出 | 2.0394mV/V±1% | ||
| 允许过载 | 150% of R.C. | ||
| 极限过载 | 250% of R.C. | ||
| 综合误差 | 0.4% of R.O. | ||
| 推荐施加电压 | DC5~12V | ||
| 入端子间电阻 | 350±3.5Ω | ||
| 输绝缘电阻 | 1 | ||
| 000MΩ以上/DC50V | |||
| 材质 | 铁 | ||
| 防尘防水 | IP67 | ||
| 产地 | 日本 | ||
| 重量 | 10~18KG | ||
| 温度补偿范围 | -10℃~75℃ | ||
| 品牌 | AND | ||

.jpg)



